speed tech lights wiring diagram
FREESHIP FOR FREE SHIPPING ON ORDERS 59 AND 999 ON FULL BARS. SpeedTech Lights has all types of emergency warning light bars for sale.
 		 		 
 		
 	Wo2012162401a9 Programmable Control For Siren And Lights Google Patents 	
Speed Tech Lights Wiring Diagram.
. Print the electrical wiring diagram off plus use highlighters to trace the. Wiring Diagram For Speedtech Light Bars Wiring Diagram. How to install a single tubelight with electromagnetic ballast.
Stl Z 3 Tir Led Surface Mount. SM-EWAB4 SpeedTech Lights Inc Z- TIR. 4 PACK Super Take Down Secondary Clear Z-6 TIR LED Surface Mount Warning Light Heads.
Christmas Led Lights Circuit. Speedtech lights provides a service along with top quality. 4 PACK MultiColor ZX-180 Linear LED Surface MountUnder Mirror Combo Warning Light.
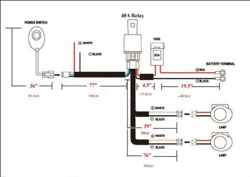
238 Best Eassy Wiring Diagram Images Diagram. Lithium ion battery external type SM-BTR1. Electric wire wiring diagram overall conceptual diagram.
Full Size Light Bars. Get Speed Tech Lights Wiring Diagram Illinois.
 		 		 
 		
 	Factory Color Coded Gm Wiring Diagrams For Your Gm Vehicle Fueled News 	
 		 		 
 		
 	1972 Nova Resurrexion Speedtech Performance Usa 	
 		 		 
 		
 	Norton Commando Wiring Diagram Grant Tiller 	
 		 		 
 		
 	Intro To Led Strips 9 Steps With Pictures Instructables 	
 		 		 		
 	1968 Mustang Wiring Diagrams And Vacuum Schematics Average Joe Restoration 	
 		 		 
 		
 	The Commercial Neon Lamp N523 From International Light Tech Used As Download Scientific Diagram 	
 		 		 
 		
 	Intro To Led Strips 9 Steps With Pictures Instructables 	
 		 		 		
 	Mustang Faq Wiring Engine Info 	
 		 		 		
 	Catalog Speedtech Lights 	
 		 		 
 		
 	Light Wiring Harness Relay Switch For Off Road Fog Driving Led Lights Universal Wiring Harness Kit Will Work On All Halogen Hid And Led Lights And Light By Power Bulbs From Usa 	
 		 		 		
 	Catalog Speedtech Lights 	
 		 		 
 		
 	Wiring Diagrams For Kaabo Mantis Pro Se Wolf Warrior Electric Scooter Voro Motors 	
 		 		 		
 	Catalog Speedtech Lights 	
 		 		 
 		
 	3 In 1 Universal Koso Motorrad Voltmeter Temperatur Spannung Display Getriebe Anzeige Meter Gauge Usb Ladegerat Fur Motorrad Instrumente Aliexpress 	
 		 		 		
 	Catalog Speedtech Lights 	
 		 		 
 		
 	Stl K Force Tow 55 Instruction Manual Pdf Download Manualslib 	
 		 		 		
 	K Bike Wiring Diagrams